
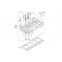
Simering supapa admisie JCB 3CX
Livram rapid oriunde in tara.
Platesti atunci cand primesti produsul ramburs.
Asistenta tehnica telefonica, WhatsApp sau email.
Daca nu esti sigur ca piesa este compatibila cu utilajul, Contacteaza-ne
S-ar putea sa-ti placa